Stikalo ON-OFF-(ON), 15A 30V DC, fi 12,5mm, povratek 1x, kabel čevelj 6.3mm 6x, JAPAN
Cena vsebuje DDV
Stikalo ON-OFF-(ON), 15A 30V DC, fi 12,5mm, povratek 1x, kabel čevelj 6.3mm 6x, JAPAN
40,02 € 34,01 €
Cena vsebuje DDV
Univerzalno kovinsko stikalo I-0-(I) (vklop navzgor-izklop-vklop navzdol s povratkom), kar pomeni, da se stikalo za vklop v en položaj zaskoči, za drug vklop pa samo, ko ga držimo in se potem avtomatsko vrne v izhodiščni sredinski položaj.
Primerno za uporabo v zahtevnih pogojih saj je odporno na olja, prah in vodo Dodatno se lahko kupi zaščitno gumo
In Stock
LASTNOSTI:
Tip: vgradno stikalo s funkcijo ON-OFF-(ON).
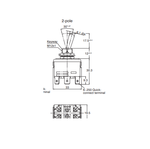
Mere ohišja (dolžina x širina x višina): mere na sliki.
Mere za vgradnjo: luknja fi 12.5mm, debelina do cca 5mm
Nazivna napetost: 15A, 30v DC
Razporeditev kontaktov: DP3T
Priklop: 6x ženski kabel čevelj 6.3mm
Delovna temperatura: -25 do +85°C
Poreklo: JAPONSKA
Koda artikla: ST1RETURN1
Dodatna zaščitna guma:


